Türkçe English العربية РУССКИЙ Deutsch

0(232) 433 85 35

[email protected]

Vodapump
  • HAUPTSEITE
  • UNTERNEHMEN
  • PRODUKTE
  • Qualitätszertifikate
  • BILDER
    • Arbeitsprinzip der Pumpe
    • Vorstellung des Unternehmens
    • Unsere Stadt Izmir
  • DISTRIBUTOREN
  • KONTAKT

TSL - 80 (33m)

  1. HAUPTSEITE
  2. TSL - 80 (33m)

DREIPHASIGE MONOBLOCK-ELEKTROPUMPEN

Kategorien

  • ✓ WASSERPUMPEN
    • - MSL / TSL - 40
    • - MSL / TSL - 50
    • - MSL / TSL - 80
    • - TSL - 50
    • - TSL - 80 (33m)
    • - TSL - 80 (45m)
    • - MSL / TSL - 2K
  • ✓ BOOSTER-PUMPEN
    • - Vertikale Mehrstufige Wellenpumpe (90 Typ)
    • - Mit Einer Pumpe (90 Typ)
    • - Mit Zwei Pumpen (90 Typ)
    • - Mit Drei Pumpen (90 Typ)
    • - Vertikale Mehrstufige Wellenpumpe (100 Typ)
    • - Mit Einer Pumpe (100 Typ)
    • - Mit Zwei Pumpen (100 Typ)
    • - Mit Drei Pumpen (100 Typ)
  • ✓ ABLAUFPUMPEN
    • - VP DRP
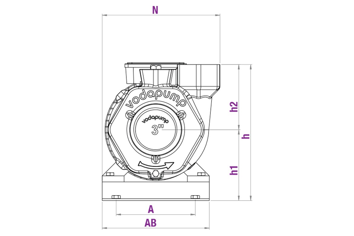
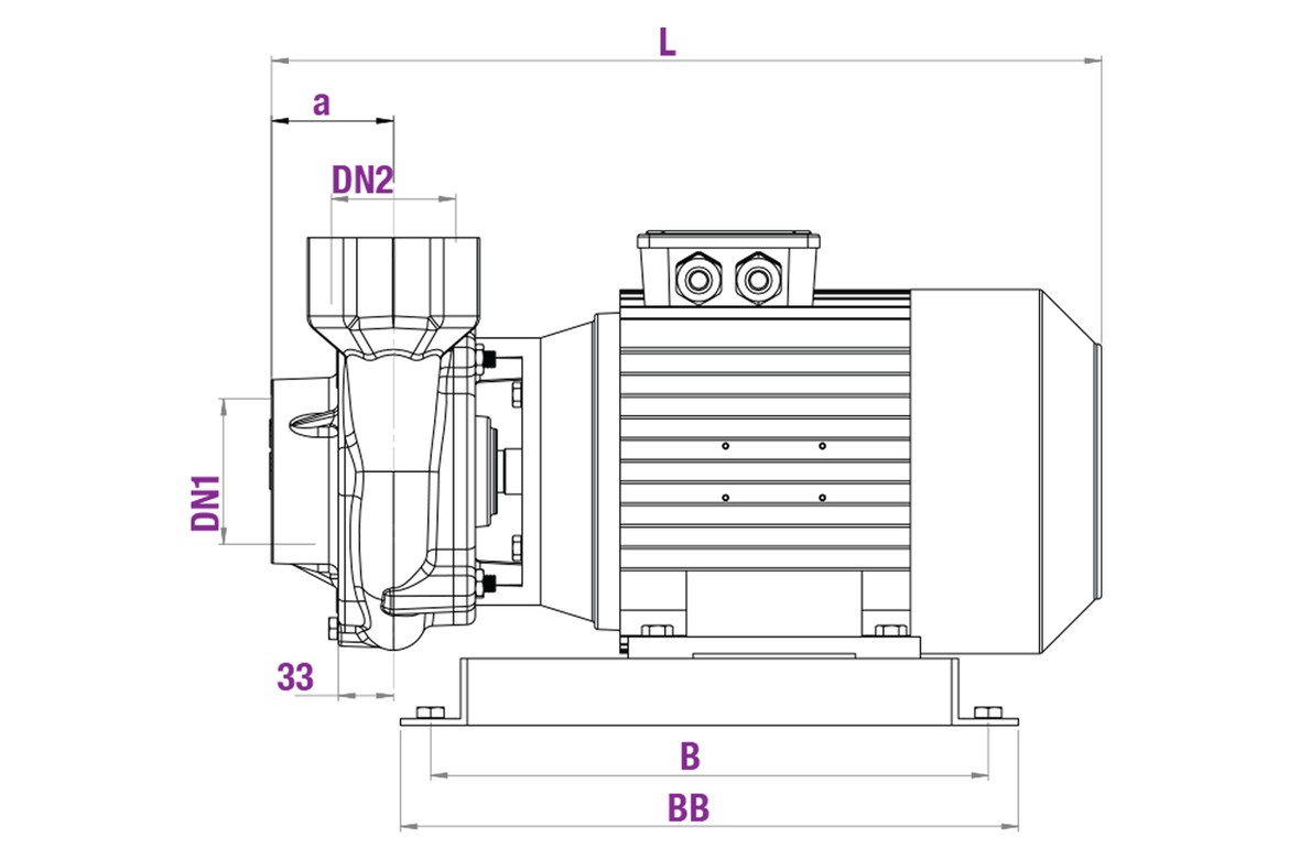
Modell Kraft Anschlüsse Dimensionen Kg
Monophasig Dreiphasig Hp Kw Saug DN1 Pumpvorgang DN2 L N h1 h2 h a w A AB B BB 1~ 3~
TSL - 80 - 3 (4 HP ) 4 3 3" 2½" 500 240 140 140 280 73 33 140 200 334 370 38 0
TSL - 80 - 4 (5,5 HP ) 5.5 4 3" 2½" 520 245 152 140 292 73 33 170 230 334 370 45 0
  • Förderhöhe (in Metern): 33 Hm(m)
  • Abflussmenge: 900 (I/dk) - (I/min) / 54 (m³/saat) - (m³ /h)
  • Dichtungstyp: Dichtung mechanischen Typs
  • Flüssigkeitstemperatur: 0 °C / 60 °C
  • Körpertyp: Sphero-Gusskörper
  • Zahnradtyp: Sphero-Zahnräder
  • Zahnradtyp: Sphero-Zahnräder
  • Drehzahl: 2900 d/d – rpm
  • Einsatzbereiche: Tropfbewässerung, Sprinkleranlagen, Fabriken, Bauwerke, Dampfkessel, landwirtschaftliche Bewässerung
Vodapump

Das im Jahre 1996 mit der Handelsbezeichnung Motorcular Ltd. Şti. als Vertriebs- und Marketinggesellschaft für Elektromotoren, Untersetzungsgetriebe und Ersatzteile dieser Produkte gegründete Unternehmen begann neben dem zentralen Verkaufsbüro im neuen Fabrikgelände in Bornova mit der Produktion von Wasser- und Boosterpumpen unter der eingetragenen Marke VODAPUMP. Das Ziel des Unternehmens, das 2018 zur Handelsbezeichnung Motorcular A.Ş. wechselte und sich hiermit eine Unternehmensidentität aneignete, ist es, seine Produkte, die zu 100% inländische Produktion sind, mit seinem Team aus erfahrenen Ingenieuren und Technikern ins Ausland zu exportieren.

Kontakt

Adresse: Oğlananası Atatürk Mah., Saim Çıkrıkçı Cad., No:127 Kısık, Menderes, İzmir
Tel: 0(232) 433 85 35
Fax: 0(232) 458 63 09
E-Mail: [email protected]

KONTAKTDATEN DER FABRIK

Adresse: Egemenlik Mh., 6106 Sk., No:66, Geri Kazanımcılar Sitesi, Bornova, İzmir
Tel: 0(232) 457 94 98
Fax: 0(232) 458 63 09
E-Mail: [email protected]

LINKS

HAUPTSEITE
UNTERNEHMEN
PRODUKTE
Qualitätszertifikate
BILDER
DISTRIBUTOREN
KONTAKT

© Copyright 2018. All Rights Reserved.